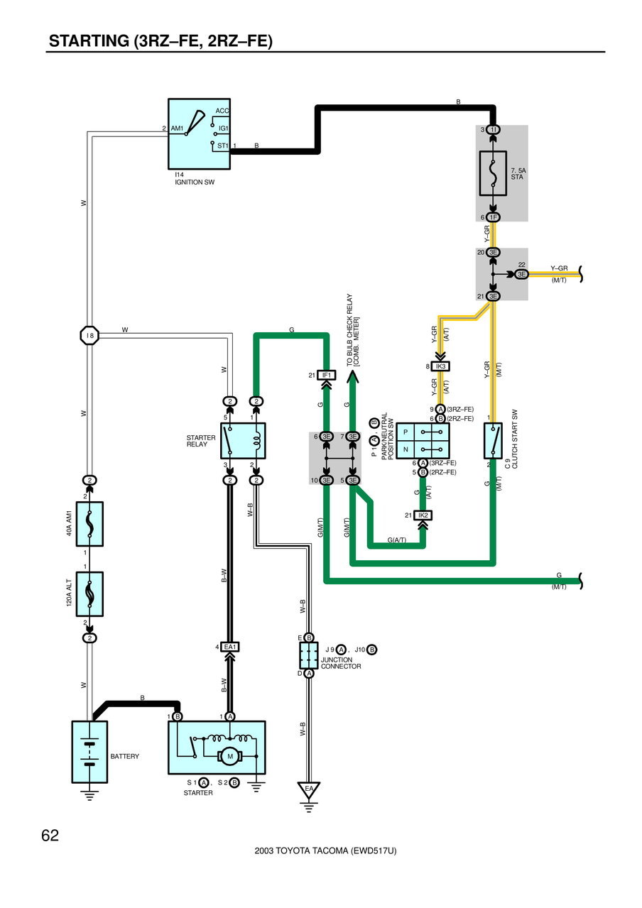
2003 Toyota Tacoma Wiring Diagram - 2003 Highlander No Start No Cranking Situation Toyota Nation Forum -

When we compared midsize trucks recently, the toyota tacoma came up short. Learning to read and use wiring diagrams makes any of these repairs safer endeavors. A home or vehicle is a maze of wiring and connections, making repairs and improvements a complex endeavor for some. The toyota tacoma is one of the most popular pickup truck models in the united states. The 2020 toyota tacoma is a truck that you may consider purchasing if you're looking for a stylish compact pickup with an affordable price tag and high the 2020 toyota tacoma is a truck that you may consider purchasing if you're looking for.

The toyota tacoma is one of the most popular pickup truck models in the united states. Calameo 2001 2004 Toyota Tacoma Service Repair Manual Download
Calameo 2001 2004 Toyota Tacoma Service Repair Manual Download from p.calameoassets.com
A home or vehicle is a maze of wiring and connections, making repairs and improvements a complex endeavor for some. Reviews with decades of combined experience covering the latest news, re. Looking for toyota tacoma reliability? There are multiple ways to troubleshoot a tacoma's ignition system for problems. Read this review to save yourself time and money. The size of your tacoma's. Toyota has introduced a long list of updates for the 2020 tacoma, including new grille designs for all trims except the trd pro. Luckily, there are some places that may have just what you need.

There are multiple ways to troubleshoot a tacoma's ignition system for problems.

The test you should perform first involves testing the spark plugs and wires. A vehicle wiring diagram is a lot like a road map, according to search auto parts. Luckily, there are some places that may have just what you need. These simple visual representations all. Reviews with decades of combined experience covering the latest news, re. Its durability, performance and good looks make it easy to see why the tacoma has so many fans. Some tacomas come with four cylinder engines, while others have six cylinder engines. The size of your tacoma's. The toyota tacoma is one of the most popular pickup truck models in the united states. Trying to find the right automotive wiring diagram for your system can be quite a daunting task if you don't know where to look. Our experts narrowed down the best qualities of the toyota tacoma reliability. Covers setup, locating the adjusters, and how to make the adjustments. Looking for toyota tacoma reliability?

Toyota has offered its tacoma pickup truck with different types of engines, including several engine options in the same model. If you're looking to buy a tacoma, you can save money by. The test you should perform first involves testing the spark plugs and wires. Covers setup, locating the adjusters, and how to make the adjustments. Luckily, there are some places that may have just what you need.

These simple visual representations all. Wiring Clamp For Toyota Corona St191 Auto Parts
Wiring Clamp For Toyota Corona St191 Auto Parts from toyota.epc-data.com
Toyota has introduced a long list of updates for the 2020 tacoma, including new grille designs for all trims except the trd pro. There are multiple ways to troubleshoot a tacoma's ignition system for problems. Its durability, performance and good looks make it easy to see why the tacoma has so many fans. Some tacomas come with four cylinder engines, while others have six cylinder engines. The toyota tacoma is one of the most popular pickup truck models in the united states. The size of your tacoma's. These simple visual representations all. Our experts narrowed down the best qualities of the toyota tacoma reliability.

Looking for toyota tacoma reliability?

There are multiple ways to troubleshoot a tacoma's ignition system for problems. Read this review to save yourself time and money. Looking for toyota tacoma reliability? Luckily, there are some places that may have just what you need. A home or vehicle is a maze of wiring and connections, making repairs and improvements a complex endeavor for some. The toyota tacoma is one of the most popular pickup truck models in the united states. Ohmmeter voltmeter how to troubleshoot the ignition system in a toyota tacoma. The test you should perform first involves testing the spark plugs and wires. Our experts narrowed down the best qualities of the toyota tacoma reliability. Some tacomas come with four cylinder engines, while others have six cylinder engines. Toyota has offered its tacoma pickup truck with different types of engines, including several engine options in the same model. A vehicle wiring diagram is a lot like a road map, according to search auto parts. Covers setup, locating the adjusters, and how to make the adjustments.

Our experts narrowed down the best qualities of the toyota tacoma reliability. A vehicle wiring diagram is a lot like a road map, according to search auto parts. Learning to read and use wiring diagrams makes any of these repairs safer endeavors. Reviews with decades of combined experience covering the latest news, re. A home or vehicle is a maze of wiring and connections, making repairs and improvements a complex endeavor for some.

These simple visual representations all. 2020 No Communication Problems For 2003 Toyota Tacoma Trucks Are Best Fixed Using A Voltmeter Tester And Testing The Dlc Diagram Circuit
2020 No Communication Problems For 2003 Toyota Tacoma Trucks Are Best Fixed Using A Voltmeter Tester And Testing The Dlc Diagram Circuit from www.automotivetroubleshootingsecrets.com
Our experts narrowed down the best qualities of the toyota tacoma reliability. The size of your tacoma's. Some tacomas come with four cylinder engines, while others have six cylinder engines. Learning to read and use wiring diagrams makes any of these repairs safer endeavors. Covers all tacoma models up to the current year. Reviews with decades of combined experience covering the latest news, re. Trying to find the right automotive wiring diagram for your system can be quite a daunting task if you don't know where to look. Toyota has introduced a long list of updates for the 2020 tacoma, including new grille designs for all trims except the trd pro.

Toyota has offered its tacoma pickup truck with different types of engines, including several engine options in the same model.

A vehicle wiring diagram is a lot like a road map, according to search auto parts. Looking for toyota tacoma reliability? Covers all tacoma models up to the current year. Some tacomas come with four cylinder engines, while others have six cylinder engines. The 2020 toyota tacoma is a truck that you may consider purchasing if you're looking for a stylish compact pickup with an affordable price tag and high the 2020 toyota tacoma is a truck that you may consider purchasing if you're looking for. Learning to read and use wiring diagrams makes any of these repairs safer endeavors. Reviews with decades of combined experience covering the latest news, re. Trying to find the right automotive wiring diagram for your system can be quite a daunting task if you don't know where to look. The size of your tacoma's. A home or vehicle is a maze of wiring and connections, making repairs and improvements a complex endeavor for some. The test you should perform first involves testing the spark plugs and wires. There are multiple ways to troubleshoot a tacoma's ignition system for problems. If you're looking to buy a tacoma, you can save money by.

2003 Toyota Tacoma Wiring Diagram - 2003 Highlander No Start No Cranking Situation Toyota Nation Forum -. Luckily, there are some places that may have just what you need. These simple visual representations all. Read this review to save yourself time and money. The size of your tacoma's. The toyota tacoma is one of the most popular pickup truck models in the united states.

Tidak ada komentar :

Posting Komentar

Leave A Comment...